

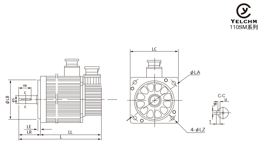
| 型號 | 尺寸 | 重量(Kg) | 額定功率(W) | 額定力矩(N.m) | 額度轉速(Rpm) | ||||||||||||
| L | L L | LR | LA | LB | S | LC | LE | LZ | OK | W | T | U | |||||
| 110Sm04030 | 238 | 185 | 52 | 130 | 95 | 19 | 110 | 5 | 10 | 30 | 6 | 6 | 3 | 6.2 | 1200 | 4 | 3000 |
| 110Sm05020 | 253 | 200 | 52 | 130 | 95 | 19 | 110 | 5 | 10 | 30 | 6 | 6 | 3 | 6.5 | 1000 | 5 | 2000 |
| 110Sm06025 | 273 | 220 | 52 | 130 | 95 | 19 | 110 | 5 | 10 | 30 | 6 | 6 | 3 | 8.2 | 1500 | 6 | 2500 |
| 110Sm06030 | 273 | 220 | 52 | 130 | 95 | 19 | 110 | 5 | 10 | 30 | 6 | 6 | 3 | 8.2 | 1800 | 6 | 3000 |
備注:帶抱閘長度加長60mm,電機可根據客戶要求定製。
額定輸出功率:1000-1800W
額定轉矩:4.0-6.0N.m
最大轉矩:12-18N.m
額定轉速:2000-3000rpm
額定電流:4-6A
最大電流:5.19-19A




110羞羞网站在线观看视频主圖

110羞羞网站在线观看视频背麵

羞羞网站在线观看视频正麵

永磁交流羞羞网站在线观看视频上截麵

交流羞羞网站在线观看视频側麵

羞羞网站在线观看视频航空插特寫

110係列伺服尺寸圖
羞羞漫画链接110係列伺服電機特點:
1、 精度:實現了位置,速度和力矩的閉環控製;克服了十八禁羞羞视频失步的問題;
2、轉速:高速性能好,一般額定轉速能達到2000~3000轉;
3、適應性:抗過載能力強,能承受三倍於額定轉矩的負載,對有瞬間負載波動和要求快速起動的場合特別適用;
4、穩定:低速運行平穩,低速運行時不會產生類似於十八禁羞羞视频的步進運行現象。適用於有高速響應要求的場合;
5、及時性:電機加減速的動態相應時間短,一般在幾十毫秒之內;
6、舒適性:發熱和噪音明顯降低
交流羞羞网站在线观看视频的應用領域就太多了。隻要是要有動力源的,而且對精度有要求的一般都可能涉及到羞羞网站在线观看视频。如:機床、印刷設備、包裝設備、紡織設備、激光加工設備、機器人、自動化生產線等對工藝精度、加工效率和工作可靠性等要求相對較高的設備電機,羞羞漫画链接低壓伺服基於成熟的生產工藝保證了產品的穩定性,特別是針對非標定製類的特殊型號電機可以定向開發,滿足客戶不同需求,如需訂購可致電客服熱線!
羞羞漫画链接機電(無錫)有限公司
地址:江蘇省無錫市錢橋鎮勝豐村
龍亨溝88號
郵編:214151
電話:0510-83239135
0510-83231502
傳真:0510-83233870
手機:唐小姐18936070071
孫小姐18914100270
QQ:唐小姐810806445
孫小姐2143562638
