

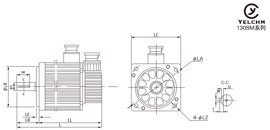
| 型號 | 尺寸 | 重量(Kg) | 額定功率(W) | 額定力矩(N.m) | 額度轉速(Rpm) | ||||||||||||
| L | L L | LR | LA | LB | S | LC | LE | LZ | OK | W | T | U | |||||
| 130Sm04030 | 218 | 170 | 58 | 145 | 110 | 22 | 130 | 6 | 9 | 30 | 6 | 6 | 3 | 13 | 1200 | 4 | 3000 |
| 130Sm06025 | 238 | 190 | 56 | 145 | 110 | 22 | 130 | 6 | 9 | 30 | 6 | 6 | 3 | 8.2 | 1500 | 6 | 2500 |
| 130Sm07720 | 258 | 210 | 56 | 145 | 110 | 22 | 130 | 6 | 9 | 30 | 6 | 6 | 3 | 9.4 | 1500 | 7.7 | 2000 |
| 130Sm10010 | 268 | 220 | 56 | 145 | 110 | 22 | 130 | 6 | 9 | 30 | 6 | 6 | 3 | 10.6 | 1000 | 10 | 1000 |
| 130Sm10015 | 268 | 220 | 56 | 145 | 110 | 22 | 130 | 6 | 9 | 30 | 6 | 6 | 3 | 10.6 | 1500 | 10 | 1500 |
| 130Sm15010 | 296 | 248 | 56 | 145 | 110 | 22 | 130 | 6 | 9 | 30 | 6 | 6 | 3 | 12.4 | 1500 | 15 | 1000 |
| 130Sm15015 | 296 | 248 | 56 | 145 | 110 | 22 | 130 | 6 | 9 | 30 | 6 | 6 | 3 | 12.4 | 2200 | 15 | 1500 |
| 130Sm15025 | 296 | 248 | 56 | 145 | 110 | 22 | 130 | 6 | 9 | 30 | 6 | 6 | 3 | 10.6 | 3800 | 15 | 2500 |
備注:帶抱閘長度加長60mm,電機可根據客戶要求定製。




130係列交流羞羞网站在线观看视频主圖

130羞羞网站在线观看视频背麵

130羞羞网站在线观看视频正麵

羞羞网站在线观看视频上截麵

側麵

羞羞网站在线观看视频航空插特寫

尺寸圖
羞羞漫画链接130係列羞羞网站在线观看视频特點:
1、 精度:實現了位置,速度和力矩的閉環控製;克服了十八禁羞羞视频失步的問題;
2、轉速:高速性能好,一般額定轉速能達到2000~3000轉;
3、適應性:抗過載能力強,能承受三倍於額定轉矩的負載,對有瞬間負載波動和要求快速起動的場合特別適用;
4、穩定:低速運行平穩,低速運行時不會產生類似於十八禁羞羞视频的步進運行現象。適用於有高速響應要求的場合;
5、及時性:電機加減速的動態相應時間短,一般在幾十毫秒之內; 羞羞网站在线观看视频廠家
130係列羞羞网站在线观看视频的應用領域就太多了。隻要是要有動力源的,而且對精度有要求的一般都可能涉及到羞羞网站在线观看视频。如:機床、印刷設備、包裝設備、紡織設備、激光加工設備、機器人、自動化生產線等對工藝精度、加工效率和工作可靠性等要求相對較高的設備電機

羞羞漫画链接機電(無錫)有限公司
地址:江蘇省無錫市錢橋鎮勝豐村
龍亨溝88號
郵編:214151
電話:0510-83239135
0510-83231502
傳真:0510-83233870
手機:唐小姐18936070071
孫小姐18914100270
QQ:唐小姐810806445
孫小姐2143562638
